Cargando...
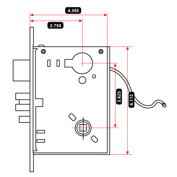
La cerradura de embutir electrificada serie CML855 utiliza plataformas mecánicas de embutir de la serie CML800 y es ideal para todo tipo de aplicaciones comerciales.
Agendar...
Asesoría..?
Ficha Técnica
Contactar
Cerradura De Embutir
Cerradura De Embutir
Cerradura De Embutir
Cerradura De Embutir
La cerradura de embutir electrificada serie CML850 utiliza plataformas mecánicas de embutir de la serie CML800 y es ideal para todo tipo de aplicaciones comerciales.
La cerradura puede operarse mediante sistemas de intercomunicación e interruptores de llave, o integrarse con sistemas electrónicos.
Disponibles en versiones con y sin monitorización.
A156.3, Grade 1
A156.25
A156.5
UL294
UL10C&CAN-ULC-S104
Medidas en mm
Brindamos el servicio de Importación, Venta, Instalación, Mantenimiento y Pintado de Puertas de emergencia Cortafuego, asimismo nuestro personal cuenta con registro sanitario y seguro complementario de trabajo de riesgo (SCTR) actualizado según ley para trabajos de alto riesgo en todos nuestros proyectos, contamos con asesoría directa de los fabricantes y poder brindarles un servicio de mejor calidad y garantía.
Nuestros Proyectos estan realizados con la mayor calidad cumplimiendo con las espectativas de indeci. El trabajo en equipo que nos caracteriza nos dan resultados positivos reflejados en las obras bajo nuestra responsabilidad. Tenemos el mejor personal capacitado para desarrollar actividades bajo reglas muy estrictas logrando asi, nuestro apoyo en la seguridad ciudadana
Suministros: Puertas Cortafuego
Suministros: Puertas Cortafuego
Suministros: Puertas Cortafuego
Suministros: Puertas Cortafuego
Suministros: Puertas Cortafuego
Suministros: Puertas Cortafuego
Suministros: Puertas Cortafuego
Suministros: Puertas Cortafuego
Suministros: Puertas Cortafuego
Suministros: Puertas Cortafuego
